The 1840 R.O. Dispensing System is a high-performance solution for businesses that demand efficient, purified water on-site. Designed for durability and ease of use, this advanced system is built with precision engineering and backed by over 30 years of Coster Water innovation. From grocery stores and car washes to commercial and industrial environments, this system delivers consistently clean, great-tasting water using a comprehensive 5-stage purification process—including sediment, carbon, reverse osmosis, post-carbon, and ultraviolet sterilization. It’s ideal for operators who require a compact, all-in-one unit that can handle high-volume demand with minimal maintenance.
Smart Design. Strong Performance.
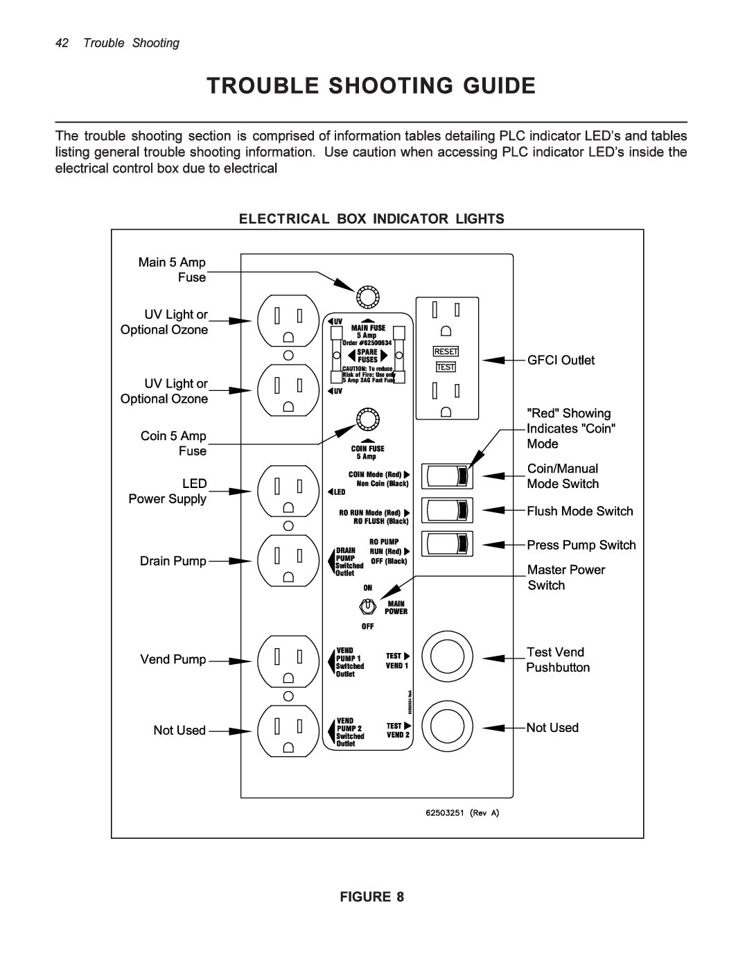
Ideal for high-demand environments, this unit features 4 user-friendly selection buttons, a solid-state control board, LED readout, and metered vending for accurate dispensing. MDB-compatible with DEX support, the payment system integrates easily into most retail or standalone installations. Its stainless steel dispensing components and insulated front panel enhance both hygiene and thermal efficiency, while a long-life R.O. membrane ensures ongoing purification quality. With a built-in drain pump, UV temperature flush, and 5 GPM U.V. light, the 1840 R.O. Dispensing System provides high-capacity performance with enhanced sanitation and safety built in.
Reliable Support. Flexible Branding.
As with all Coster Water systems, the 1840 R.O. Dispensing System comes with a 1-year component warranty and full technical support. If service is needed, parts are readily available and our responsive team will help minimize any downtime. Optional private labeling services allow you to customize the unit with your own branding, making it a valuable marketing asset as well as a functional solution. This system is designed to deliver long-term value, with a rugged build and intelligent design that make it an excellent fit for a variety of environments.
Trust the 1840 R.O. Dispensing System for high-capacity, low-maintenance water vending backed by industry-leading support and technology from Coster Water. Contact us today to request more information or get started.
To provide the best experiences, we use technologies like cookies to store and/or access device information. Consenting to these technologies will allow us to process data such as browsing behavior or unique IDs on this site. Not consenting or withdrawing consent, may adversely affect certain features and functions.
Functional Always active
The technical storage or access is strictly necessary for the legitimate purpose of enabling the use of a specific service explicitly requested by the subscriber or user, or for the sole purpose of carrying out the transmission of a communication over an electronic communications network.
Preferences
The technical storage or access is necessary for the legitimate purpose of storing preferences that are not requested by the subscriber or user.
Statistics
The technical storage or access that is used exclusively for statistical purposes.The technical storage or access that is used exclusively for anonymous statistical purposes. Without a subpoena, voluntary compliance on the part of your Internet Service Provider, or additional records from a third party, information stored or retrieved for this purpose alone cannot usually be used to identify you.
Marketing
The technical storage or access is required to create user profiles to send advertising, or to track the user on a website or across several websites for similar marketing purposes.
To provide the best experiences, we use technologies like cookies to store and/or access device information. Consenting to these technologies will allow us to process data such as browsing behavior or unique IDs on this site. Not consenting or withdrawing consent, may adversely affect certain features and functions.
Functional Always active
The technical storage or access is strictly necessary for the legitimate purpose of enabling the use of a specific service explicitly requested by the subscriber or user, or for the sole purpose of carrying out the transmission of a communication over an electronic communications network.
Preferences
The technical storage or access is necessary for the legitimate purpose of storing preferences that are not requested by the subscriber or user.
Statistics
The technical storage or access that is used exclusively for statistical purposes.The technical storage or access that is used exclusively for anonymous statistical purposes. Without a subpoena, voluntary compliance on the part of your Internet Service Provider, or additional records from a third party, information stored or retrieved for this purpose alone cannot usually be used to identify you.
Marketing
The technical storage or access is required to create user profiles to send advertising, or to track the user on a website or across several websites for similar marketing purposes.